こんにちは、「杉岐精密机械(上海)有限公司」のウェブサイトへようこそ!

| オンラインメッセージ| 我々に連絡する

あなたの現在の位置: 型番調べ >> 直線ベアリング

直線ベアリング

直线轴承

発売日:2019-03-22 15:01:14 訪問数:289

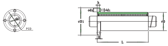
结构:

*外直线轴承LM型与圆柱形光轴配合使用,可以完成无限直线运动的直线运动系统,承受负荷的钢珠与圆柱型光轴之间为点接触,因接触面为点接触所以载荷较小,但可以在最小摩擦阻力情况下实现高精度与轻快的直线运动。

*直线轴承的应用范围广泛,包括办公设备及其外围设备,各种测量仪,自动记录装置和数字三维测量仪的精密仪器,以及包括多轴钻床、自动气割设备、印刷机、选卡机和食品包装机的产业机械的滑动部位等。

前のページ:直线轴承

後ろのページ:直线轴承

COPYRIGHT © 2019 杉岐精密机械(上海)有限公司