产品型号Product model
电话: 021-50872397
咨询热线:
181 1723 8818
180 1911 1466
邮箱: 393150345@qq.com
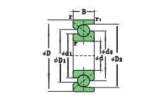
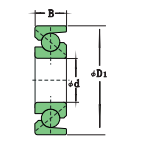
单列丝杠滚珠轴承
单列丝杠滚珠轴承30TAC62P4
发布日期:2023-01-09 13:15:35 访问次数:506


结构:
*单列丝杠支撑推力角接触球轴承,具有大接触角为60°度,保持架为(TN)聚胺成形保持架。施加预紧负荷使用,所以适用于承受一个方向的大负荷,结构上可承受轴向大负荷,或成对使用两个方向的负荷。将两个轴承对置使用,或两个以上成对使用, 可承受两个方向的受力。
上一产品:单列丝杠滚珠轴承40TAC72B
下一产品:单列丝杠滚珠轴承


