您好,欢迎来到“衫岐精密机械(上海)有限公司”网站!

| 返回首页| 在线留言| 联系我们

您的当前位置: 型号查询 >> 单列丝杠滚珠轴承

单列丝杠滚珠轴承

单列丝杠滚珠轴承

发布日期:2019-04-09 13:20:02 访问次数:430

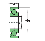
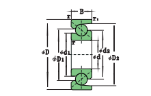
结构:

*单列丝杠支撑推力角接触球轴承,具有大接触角为60°度,保持架为(TN)聚胺成形保持架。施加预紧负荷使用,所以适用于承受一个方向的大负荷,结构上可承受轴向大负荷,或成对使用两个方向的负荷。将两个轴承对置使用,或两个以上成对使用, 可承受两个方向的受力。

上一产品:单列丝杠滚珠轴承

下一产品:单列丝杠滚珠轴承

COPYRIGHT © 2019 衫岐精密机械(上海)有限公司技术支持:    备案号:沪ICP备2021025055号